Продаю

Контакт

Евгений
89508485519
Ростовская область
Отправить e-mail

Описание

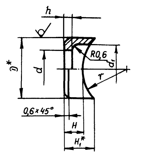
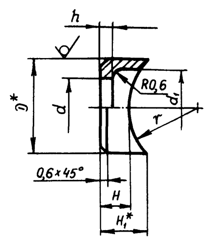
Изготавливаем по заявкам радиусные шайбы для конических болтов. Шайбы предназначены для крепежа с наружной цилиндрической поверхностью. Шайбы изготовлены строго по стандартам ОСТ 1 11494-74, ОСТ 1 11495-74, ОСТ 1 11496-74, ОСТ 1 11497-74, ОСТ 1 11498-74, ОСТ 1 11499-74. Являются заменой нормалям 1273С50, 1274С50, 1605С50, 1272С50, 1603С50, 1604С50.
Моб. +7(950)848-55-19
Раб. +7(991)086-37-37
https://rskrepeg.ru
rsk_161@mail.ru
радиусная шайба, радиусные шайбы купить, ост 1 11497 74, ОСТ 1 11494-74, ОСТ 1 11495-74, ОСТ 1 11496-74, ОСТ 1 11497-74, ОСТ 1 11498-74, ОСТ 1 11499-74, шайба для конических болтов, 1273С50, 1274С50, 1605С50, 1272С50, 1603С50, 1604С50

Поделись этим объявлением